Насос Wellmix TG 32-18/2 BQQE(1х220В 1.1кВт) (12019999) –– одноступенчатый центробежный насос с патрубками одинакового диаметра, расположенными в одну линию («in-line»). Предназначен для перекачивания чистых, маловязких, неагрессивных и взрывобезопасных жидкостей без твердых или длинноволокнистых включений. Перекачиваемая жидкость не должна механически или химически воздействовать на материалы насоса.
Разрез насоса
Область применения
Одноступенчатые центробежные насосы TG с патрубками («in-line») предназначены для перекачивания воды в системах:- Отопления
- Горячего водоснабжения (ГВС)
- Вентиляции
- Кондиционирования
Условия эксплуатации
Насосы серии TG предназначены для перекачивания чистых, маловязких, неагрессивных и взрывобезопасных жидкостей без твердых или длинноволокнистых включений. Перекачиваемая жидкость не должна механически или химически воздействовать на материалы насоса.
Вязкость
Перекачивание жидкостей с плотностью или кинематической вязкостью большими, чем у воды, приводит к падению давления, снижению гидравлических характеристик и увеличению потребления энергии. В этом случае насос должен быть оснащен двигателем большей мощности
Материалы исполнения насосов
| Деталь | Материал |
| Корпус насоса | Чугун HT 200 |
| Рабочее колесо | Чугун HT 200 |
| Торцевое уплотнение | BQQE |
| Фонарь | Чугун |
| Защитный кожух | Нерж. сталь AISI 304 |
| Вал | Сталь 45 |
| Пробка для выпуска воздуха | Нерж. сталь AISI 304 |
| Уплотнение | EPDM |
| Пробка | Нерж. сталь AISI 304 |
Гидравлические характеристики
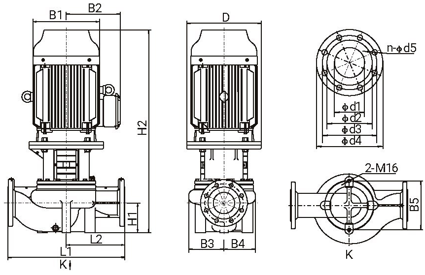
Размеры

Технические характеристики
| Свойство | Значение |
| Мощность, кВт | 1,1 |
| Напряжение, В | 220 |
| Число фаз питания электродвигателя | 1 фаза |
| Номинальный ток, А | 4,4 |
| Максимальный напор, м | 20 |
| Расход, м3/ч | 8 |
| Материал корпуса | Чугун HT 200 |
| Материал рабочего колеса | Чугун HT 200 |
| Стандарт подключения | Фланец DIN |
| Патрубок на стороне всасывания | DN 32 |
| Патрубок на напорной стороне | DN 32 |
| Монтажная длина, мм | 340 |
| Масса, кг | 34 |
| Максимальное рабочее давление, бар | 12 |
| Температура перекачиваемой жидкости, °С | -20...+120 |
| Максимальная температура окружающей среды, °С | +50 |
| Область применения | Отопление и кондиционирование |


