ОписаниеПодробное описание
ХарактеристикиПодробные характеристики
Насос Wellmix WRE 50-120F (16049997) – циркуляционные насос с частотным управлением промышленной серии
- Исполнение насоса с «мокрым ротором», ротор двигателя в процессе работы омывается перекачиваемой жидкостью
- Насос оснащен двигателем с постоянными магнитами и встроенным интеллектуальным преобразователем частоты, обеспечивающим согласование производительности насоса с фактической потребностью системы
- На цифровой панели управления отображается текущая потребляемая насосом мощность в Вт, текущий режим работы (пропорциональное давление, постоянное давление, фиксированная скорость), а также индикация режима «Automatic» и «ночного режима»
- Насос обладает низким уровнем шума и высоким классом энергоэффективности
Область применения
- В системах отопления с переменным расходом
- В системах отопления с переменной температурой
- В системах отопления с «ночным» режимом
- В системах рециркуляции горячей воды
- В промышленных системах с циркуляцией теплоносителя
Условия эксплуатации
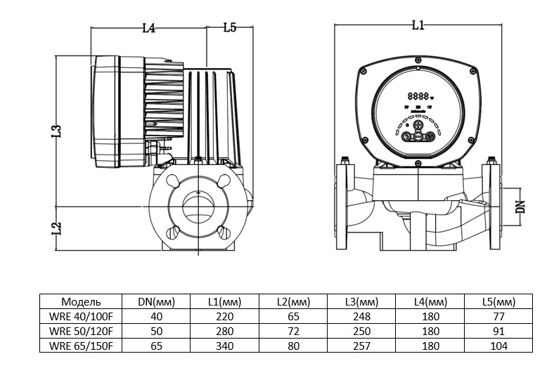
Температура окружающей среды: 0°С ~ 40°СМаксимальная влажность: 95%Температура перекачиваемой жидкости: +2°С ~ 110°СМаксимальное давление в системе: 1МпаКласс защиты: IP 44Перекачиваемая жидкость должна быть чистой, неагрессивной и невзрывоопасной, без содержания частиц, волокон или минеральных масел. Насосное оборудование нельзя использовать для перекачки легковоспламеняющихся жидкостей. Если насос используется для перекачки жидкостей с относительно высокой вязкостью, это приведет к снижению производительности насоса, это нужно учитывать при подборе насоса.Габаритные и присоединительные размеры

Технические характеристики
| Свойство | Значение |
| Мощность, кВт | 0,56 |
| Напряжение, В | 220 |
| Число фаз питания электродвигателя | 1 фаза |
| Номинальный ток, А | 2,6 |
| Максимальный напор, м | 12 |
| Расход, м3/ч | 22 |
| Материал корпуса | Чугун |
| Стандарт подключения | Фланец DIN |
| Патрубок на стороне всасывания | DN 50 |
| Патрубок на напорной стороне | DN 50 |
| Монтажная длина, мм | 280 |
| Максимальное рабочее давление, бар | 10 |
| Температура перекачиваемой жидкости, °С | +2...+110 |
| Максимальная температура окружающей среды, °С | +40 |
| Область применения | Отопление и кондиционирование |















